Cung cấp dao cối máy chấn máy cắt thủy lực
CUNG CẤP DAO CỐI CHẤN MÁY CHẤN, MÁY GẤP MÍ, MÁY CẮT TÔN
SỬA CHỮA, MÀI LƯỠI DAO CHÀY CỐI MÁY CHẤN, MÁY CẮT TÔN THỦY LỰC
Cung cấp dao cối chấn máy chấn, máy gấp mí tôn
Dịch vụ tháo lắp, sửa chữa mài và cân chỉnh dao chấn
Gia công chế tạo dao chấn cối chấn theo yêu cầu
Gia công chế tạo, sửa chữa, mài dao cối máy chấn tôn, máy chấn gập mí và dao máy cắt tôn thủy lực các loại
Công ty TNHH Tư vấn và Dịch vụ Kỹ thuật VIỆT HẢI MINH với trên 20 năm kinh nghiệm trong việc gia công chế tạo, sửa chữa và tháo lắp cân chỉnh dao chấn (lưỡi dao chấn), cối chấn (đế dao chấn) máy chấn, máy gấp mí tôn, inox thuỷ lực các loại. Chúng tôi tự hào đã góp phần không nhỏ nâng cao hiệu quả sản xuất, kinh doanh của nhiều khách hàng
Công ty Việt Hải Minh nhận thực hiện các dịch vụ gia công chế tạo, sửa chữa bảo trì dao chấn, cối chấn các loại cho các doanh nghiệp trên toàn quốc cụ thể:
1./ Cung cấp dao chấn, chày chấn, lưỡi dao máy chấn tôn,
2./ Cung cấp cối chấn cao cấp cho máy chấn tôn
3./ Cung cấp trọn bộ dao chấn, cối chấn (đế dao), thớt máy chấn,
4./ Cung cấp trọn bộ chày cối chấn góc vuông, gấp mí tôn
5./ Cung cấp lưỡi dao chấn gấp mí, cối và đế dao gấp mí tôn
6./ Chế tạo khuôn chấn, lưỡi chấn, cối chấn theo yêu cầu,
7./ Chế tạo dao chấn chữ L, chữ C và biên dạng đặc biệt
8./ Chế tạo cối chấn trượt 2V, 2V88-8/12…, biên dạng đặc biệt
9./ Dịch vụ mài dao chấn, chày chấn, cối chấn, đế dao chấn
10./ Sửa chữa dao chấn, chày chấn, cối chấn, đế dao chấn
11./ Nhận tháo, lắp và cân chỉnh dao chấn, cối chấn các loại
12./ Chuyên sửa chữa, chế tạo mới các loại cối chấn, dao chấn cho các máy chấn: Amada, komatsu, Inoex. Sasaki, Showa…
Các bài viết sửa chữa chi tiết, thiết bị máy chấn bạn nên biết
- Sửa chữa xi lanh TL máy chấn và các thiết bị HT TL
- Sửa chữa bơm dầu TL máy chấn và các thiết bị HT TL
- Dịch vụ SC tủ điện, board mach ĐK & màn hình HMI MC
- Dịch vụ cung cấp và gia công SC dao cối máy chấn
- Cung cấp dao cối máy chấn máy cắt TL
- Quy trình vận hành máy chấn tôn TL
- Ưu điểm máy chấn bằng cơ chuyên dụng
Cung cấp và sửa chữa mài dao chấn tôn, inox các loại
Chế tạo dao chấn, cối chấn tôn , inox cho máy chấn thủy lực các loại
Chấn gập kim loại là gì?.
Chấn gập kim loại hay còn gọi là chấn gập kim loại tấm là cách thức tạo hình uốn cong, uốn gập các tấm kim loại có độ dày và kích cử khác nhau, các tấm kim loại này có thể là thép, tôn mạ kẽm, thép không gỉ, inox, thiếc, đồng, thau, nhôm… Đây là một trong các công đoạn chính trong việc gia công sản xuất kim loại dạng tấm
Một sản phẩm nếu được gia công bài bảng và đầy đủ thì bao gồm các công đoạn chính sau: Cắt, đột dập, chấn gập và cuối cùng là hàn. Vì vậy công đoạn chấn gập sẽ tại ra hình hài, biên dạng góc cạnh của sản phẩm, chi tiết
Nói tóm lại: Chấn gập kim loại tấm chính là sử dụng máy công cụ, máy chấn, truyền lực chấn rất lớn đến tấm kim loại thông qua dao chấn, ép lên bề mặt kim loại tấm nhờ đế khuôn (cối chấn) định hình phía dưới để tạo ra các sản phẩm có góc độ như yêu cầu.
Sửa chữa mài dao chấn và sọc lại các rãnh cối chấn bị hư hỏng
Phục hồi cối chấn tôn và chế tạo cối chấn dao chấn với biên dạng đặc biệt
Các loại dụng cụ chấn gập kim loại hiện nay:
1./ Lưỡi dao chấn:
Lưỡi dao chấn dùng để uốn cong, gập gấp kim loại dạng tấm theo các góc độ mong muốn. Thông thường lưỡi dao chấn có các độ góc chấn trên sản phẩm như sau: Dao chấn 15 độ, 20 độ, 26 độ, 30 độ, 35 độ, 45 độ, 60 độ, 85 độ, 88 độ và 90 độ.
Bán kinh cong tại vị trí uốn góc của sản phẩm có thể thay đổi tùy thuộc vào việc yêu cầu khách hàng khi gia công chế tạo dao chấn, cối chấn.
Vật liệu chế tạo lưỡi dao chấn: Vật liệu chế tạo lưỡi dao chấn phải là vật liệu có độ cứng, độ bền cao mới có thể gia công chấn gập inox, thép tấm có độ dày đến 20mm, vì vậy thép làm lưỡi dao không thể là thép hợp kim bình thường được. Tùy theo chiều dày và vật liệu tôn cần chấn, người ta sẽ chọn vật liệu và chế tạo nhiệt luyện khác nhau.
Nhận tháo lắp sửa chữa mài và cân chỉnh lại dao chấn, cối chấn tại các nhà máy KCN
Thép SKD11 là gì? Và tại sao dao chấn tôn bằng thép SKD11 được sữ dụng rộng rãi hiện nay?
Thép SKD là loại thép có mác theo tiêu chuẩn JIS của Nhật Bản, có hàm lượng cacbon cao, độ bền kéo rất tốt, chống lại sự ăn mòn do oxi hóa, độ thấm tôi cứng rất tốt, khoảng 50-60HRC, cân bằng được giữa độ cứng và độ dẻo. Thép SKD11 thường sử dụng trong ngành gia công cơ khí khuôn mẫu, dao cắt công nghiệp…
Chính vì những điều đã nói ở trên và tùy theo yêu cầu kỹ thuật mà người ta lựa chọn vật liệu làm dao khác nhau, nhưng sử dụng vật liệu chế tạo dao chấn phổ biến hiện nay là thép SKD11.
Ngoài thép SKD11 thì loại vật liệu nào có thể dùng làm dao chấn tôn:
Ngoài thép SKD11 ra, hiện nay có nhiều loại thép khác được dùng làm do chấn tôn như: thép 42CrMo, thép T7A, thép T8A. thép DC11, thép SLD. Các loại thép này có thành phần hóa học, cũng như độ cứng, độ dẻo khi tôi thâm đạt được 50HRC-60HRC dễ dàng mà giá thành cũng tương đối mềm.
Thép DC11: thuộc nhà máy sản xuất thép Daido steel Co. LTD.
Thép SLD: thuộc nhà máy sản xuất thép Hitachi Metals Co. LTD.
Gia công cối chấn cho các loại máy chấn theo yêu cầu
Dựa vào hình dáng, góc độ chấn trên sản phẩm người ta chia dao chấn thành các loại sau:
1./ Dao chấn 600 1283, H=115, R=10, Max T/m = 150; 46./ Dao chấn 880 1019, H=103.5, R=3, Max T/m = 50
2./ Dao chấn 600 1032, H=65, R=6, Max T/m = 120; 47./ Dao chấn 880 1268, H=104.6, R=0.25, Max T/m = 50
3./ Dao chấn 600 1271, H=115, R=0.8, Max T/m = 40; 48./ Dao chấn 880 1082, H=104.65, R=0.8, Max T/m = 45
4./ Dao chấn 600 1272, H=115, R=0.8, Max T/m = 40; 49./ Dao chấn 880 1031, H=165, R=0.8, Max T/m = 60
5./ Dao chấn 600 1163, H=130, R=0.8 Max T/m = 40; 50./ Dao chấn 880 1084, H=94.4, R=0.6, Max T/m = 50
6./ Dao chấn 600 1162, H=80, R=0.8, Max T/m = 40; 51./ Dao chấn 880 1270, H=94.35, R=0.25, Max T/m = 50
7./ Dao chấn 600 1190, H=160, R=0.8, Max T/m = 40; 52./ Dao chấn 880 1290, H=89.7, R=0.6, Max T/m = 30
8./ Dao chấn 600 1027, H=67, R=2, Max T/m = 80; 53./ Dao chấn 880 1030, H=145, R=0.8, Max T/m = 80
9./ Dao chấn 600 1026, H=67, R=0.8, Max T/m = 80; 54./ Dao chấn 880 1022, H=86, R=0.8, Max T/m = 100
10./ Dao chấn 900 1010, H=66.65, R=0.8, Max T/m = 100;55./ Dao chấn 880 1023, H=84.85, R=3, Max T/m = 100
11./ Dao chấn 900 1064, H=66.6, R=0.25, Max T/m = 100;56./ Dao chấn 880 1291, H=200, R=0.8, Max T/m = 85
12./ Dao chấn 900 1048, H=66.4, R=0.6, Max T/m = 35; 57./ Dao chấn 880 1301, H=199.03, R=3, Max T/m = 85
13./ Dao chấn 900 1263, H=66.35, R=0.25, Max T/m = 35;58./ Dao chấn 850 1177, H=65.5, R=3, Max T/m = 100
14./ Dao chấn 900 1080, H=66.65, R=0.8, Max T/m = 60; 59./ Dao chấn 850 1260, H=66.6, R=0.8, Max T/m = 100
15./ Dao chấn 900 1028, H=99.4, R=0.6, Max T/m = 50; 60./ Dao chấn 850 1281, H=104.65, R=0.8, Max T/m = 100
16./ Dao chấn 900 1261, H=99.35, R=0.25, Max T/m = 50;61./ Dao chấn 850 1172, H=104.6, R=0.8, Max T/m = 50
17./ Dao chấn 900 1019, H=84,15, R=0.6, Max T/m = 20; 62./ Dao chấn 850 1309, H=120, R=0.8, Max T/m = 70
18./ Dao chấn 900 1176, H=89.88, R=0.25, Max T/m = 50;63./ Dao chấn 850 1310, H=115, R=0.8, Max T/m = 35
19./ Dao chấn 900 1013, H=89.65, R=0.8, Max T/m = 60; 64./ Dao chấn 850 1312, H=115, R=0.6, Max T/m = 20
20./ Dao chấn 900 1265, H=89.6, R=0.25, Max T/m = 60; 65./ Dao chấn 850 1322, H=120, R=1.5, Max T/m = 100
21./ Dao chấn 900 1060, H=120, R=0.8, Max T/m = 50; 66./ Dao chấn 600 1191, H=115, R=0.8, Max T/m = 60
22./ Dao chấn 900 1174, H=104.88, R=0.25, Max T/m = 50;67./ Dao chấn 600 1284, H=135, R=0.8, Max T/m = 70
23./ Dao chấn 900 1016, H=104.65, R=0.8, Max T/m = 50; 68./ Dao chấn 600 1293, H=200, R=8, Max T/m = 150
24./ Dao chấn 900 1267, H=104.6, R=0.25, Max T/m = 50; 69./ Dao chấn 450 1053, H=100, R=6, Max T/m = 100
25./ Dao chấn 900 1083, H=94.4, R=0.6, Max T/m = 50; 70./ Dao chấn 450 1054, H=50, R=6, Max T/m = 100
26./ Dao chấn 900 1269, H=94.35, R=0.25, Max T/m = 50; 71./ Dao chấn 450 1024, H=66.4, R=0.5, Max T/m = 80
27./ Dao chấn 900 1021, H=86, R=0.8, Max T/m = 100; 72./ Dao chấn 450 1025, H=66.2, R=1.5, Max T/m = 80
28./ Dao chấn 880 1101, H=66.65, R=0.8, Max T/m = 100; 73./ Dao chấn 350 1035, H=70, R=0.5, Max T/m = 70
29./ Dao chấn 880 1112, H=66.5, R=3, Max T/m = 100; 74./ Dao chấn 350 1047, H=90, R=0.8, Max T/m = 70
30./ Dao chấn 880 1065, H=66.6, R=0.25, Max T/m = 100; 75./ Dao chấn 350 1282, H=90, R=1.5, Max T/m = 70
31./ Dao chấn 880 1063, H=104.65, R=0.8, Max T/m = 100;76./ Dao chấn 350 1034, H=85, R=0.5, Max T/m = 100
32./ Dao chấn 880 1049, H=66.45, R=0.6, Max T/m = 35; 77./ Dao chấn 300 1193, H=104, R=0.6, Max T/m = 100
33./ Dao chấn 880 1264, H=66.35, R=0.25, Max T/m = 35 78./ Dao chấn 300 1289, H=104, R=3, Max T/m = 100
34./ Dao chấn 880 1081, H=66.65, R=0.8, Max T/m = 60; 79./ Dao chấn 300 1194, H=104, R=5, Max T/m = 100
35./ Dao chấn 880 1029, H=99.4, R=0.6, Max T/m = 50; 80./ Dao chấn 300 1056, H=80, R=0.5, Max T/m = 100
36./ Dao chấn 880 1262, H=99.35, R=0.25, Max T/m = 50;81./ Dao chấn 300 1057, H=80, R=3, Max T/m = 100
37./ Dao chấn 880 1020, H=84.15, R=0.6, Max T/m = 20; 82./ Dao chấn 300 1055, H=105, R=0.5, Max T/m = 50
38./ Dao chấn 880 1175, H=89.65, R=0.8, Max T/m = 50; 83./ Dao chấn 300 1052, H=135, R=0.5, Max T/m = 50
39./ Dao chấn 880 1014, H=89.65, R=0.8, Max T/m = 60; 84./ Dao chấn 300 1086, H=140, R=0.6, Max T/m = 40
40./ Dao chấn 880 1015, H=88.5, R=3, Max T/m = 60; 85./ Dao chấn 300 1292, H=200, R=0.5, Max T/m = 50
41./ Dao chấn 880 1266, H=89.5, R=0.25, Max T/m = 60; 86./ Dao chấn 260 1033, H=117, R=1, Max T/m = 100
42./ Dao chấn 880 1061, H=120, R=0.8, Max T/m = 50; 87./ Dao chấn 260 1178, H=117, R=0.8, Max T/m = 100
43./ Dao chấn 880 1062, H=119.03, R=3, Max T/m = 50; 88./ Dao chấn 260 1192, H=117, R=3, Max T/m = 100
44./ Dao chấn 880 1173, H=104.65, R=0.8, Max T/m = 50;89./ Dao chấn 260 1311, H=145, R=0.8, Max T/m = 100
45./ Dao chấn 880 1017, H=104.65, R=0.8, Max T/m = 50;
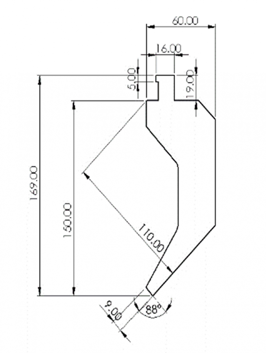
Thiết kế, chế tạo các loại dao chấn, cối chấn cho máy chấn và mấp chấn gập thủy lực
Một số biên dạng dao chấn cho máy chấn và máy chấn gập thủy lực
Nhận thiết kế và chế tạo dao chấn, cối chấn cho máy chấn và máy chấn gập các loại
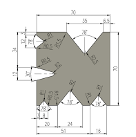
2./ Cối chấn của máy chấn:
Cối chấn nằm phía dưới, kết hợp với dao chấn trên dùng để uốn cong, gập gấp kim loại dạng tấm theo các góc độ mong muốn. Thông thường cối chấn có các hình dáng và độ góc chấn trên sản phẩm như sau: Cối chấn 2V, cối chấn 1V, cối chấn T 1V H80, cối chấn T 1V H120, cối chấn 4V, cối ép gập mí, đế cối.
Vật liệu chế tạo cối chấn: Vật liệu chế tạo cối chấn không được quá cứng cũng như không thể mềm được. Tất nhiên thép hợp kim bình thường không thể đáp ứng được. Tùy theo biên dạng, hình dáng gấp tôn, chiều dày và vật liệu cần chấn, người ta sẽ chế tạo cối chấn bằng vật liệu cho phù hợp. Thông thường thép SCM40 được sử dụng rộng rãi để chế tạo cối chấn.
Các loại cối chấn có hình dáng và kích thước cơ bản chuẩn như sau:
1./ Cối chấn 2V:
1./ Cối chấn 2V L 8/12 α=900 H60 Max. T/m=80; 12./ Cối chấn 2V 4/7 α=900 H46 Max. T/m=80
2./ Cối chấn 2V L 6/10 α=900 H60 Max. T/m=80; 13./ Cối chấn 2V 8/12 α=300 H46 Max. T/m=100
3./ Cối chấn 2V 8/12 α=300 H46 Max. T/m=80; 14./ Cối chấn 2V 16/20 α=600 H26 Max. T/m=100
4./ Cối chấn 2V 6/10 α=300 H46 Max. T/m=80; 15./ Cối chấn 2V 12/20 α=600 H26 Max. T/m=100
5./ Cối chấn 2V 16/25 α=880 H46 Max. T/m=80; 16./ Cối chấn 2V 8/12 α=600 H26 Max. T/m=100
6./ Cối chấn 2V 12/20 α=880 H46 Max. T/m=80; 17./ Cối chấn 2V 6/10 α=600 H26 Max. T/m=100
7./ Cối chấn 2V 14/18 α=880 H46 Max. T/m=80; 18./ Cối chấn 2V 16/25 α=880 H26 Max. T/m=100
8./ Cối chấn 2V 8/12 α=880 H46 Max. T/m=80; 19./ Cối chấn 2V 14/18 α=880 H26 Max. T/m=100
9./ Cối chấn 2V 6/10 α=880 H46 Max. T/m=80; 20./ Cối chấn 2V 12/20 α=880 H26 Max. T/m=100
10./ Cối chấn 2V 8/12 α=900 H46 Max. T/m=80; 21./ Cối chấn 2V 8/12 α=880 H26 Max. T/m=100
11./ Cối chấn 2V 6/10 α=900 H46 Max. T/m=80;
Một số biên dạng đặc biệt của cối chấn và dao chấn theo hình dáng sản phẩm
Một số sản phẩm mẫu của bộ dao chấn, cối chấn thông dụng
2./ Cối chấn 1V:
1./ Cối chấn 1V 25 α=300 H65 Max. T/m=55; 22./ Cối chấn 1V 4 α=880 H60 Max. T/m=100
2./ Cối chấn 1V 20 α=300 H60 Max. T/m=55; 23./ Cối chấn 1V 25 α=300 H60 Max. T/m=100
3./ Cối chấn 1V 16 α=300 H60 Max. T/m=50; 24./ Cối chấn 1V 18 α=300 H60 Max. T/m=100
4./ Cối chấn 1V 12 α=300 H60 Max. T/m=50; 25./ Cối chấn 1V 80 α=450 H145 Max. T/m=100
5./ Cối chấn 1V 10 α=300 H60 Max. T/m=50; 26./ Cối chấn 1V 63 α=450 H105 Max. T/m=100
6./ Cối chấn 1V 8 α=300 H60 Max. T/m=50; 27./ Cối chấn 1V 50 α=450 H95 Max. T/m=100
8./ Cối chấn 1V 25 α=600 H60 Max. T/m=100; 29./ Cối chấn 1V 32 α=450 H80 Max. T/m=100
9./ Cối chấn 1V 20 α=600 H60 Max. T/m=100; 30./ Cối chấn 1V 80 α=600 H115 Max. T/m=100
10./ Cối chấn 1V 16 α=600 H60 Max. T/m=100; 31./ Cối chấn 1V 63 α=600 H115 Max. T/m=100
11./ Cối chấn 1V 12 α=600 H60 Max. T/m=100; 32./ Cối chấn 1V 50 α=600 H75 Max. T/m=100
12./ Cối chấn 1V 10 α=600 H60 Max. T/m=100; 33./ Cối chấn 1V 220 α=700 H190 Max. T/m=200
13./ Cối chấn 1V 8 α=600 H60 Max. T/m=100; 34./ Cối chấn 1V 160 α=800 H130 Max. T/m=120
14./ Cối chấn 1V 6 α=600 H60 Max. T/m=100; 35./ Cối chấn 1V 125 α=800 H103 Max. T/m=120
15./ Cối chấn 1V 25 α=880 H60 Max. T/m=100; 36./ Cối chấn 1V 100 α=800 H95 Max. T/m=120
16./ Cối chấn 1V 20 α=880 H60 Max. T/m=100; 37./ Cối chấn 1V 80 α=850 H75 Max. T/m=100
17./ Cối chấn 1V 16 α=880 H60 Max. T/m=100; 38./ Cối chấn 1V 63 α=850 H75 Max. T/m=100
18./ Cối chấn 1V 12 α=880 H60 Max. T/m=100; 39./ Cối chấn 1V 50 α=850 H60 Max. T/m=100
19./ Cối chấn 1V 10 α=880 H60 Max. T/m=100; 40./ Cối chấn 1V 40 α=850 H60 Max. T/m=100
20./ Cối chấn 1V 8 α=880 H60 Max. T/m=100; 41./ Cối chấn 1V 32 α=850 H60 Max. T/m=100
21./ Cối chấn 1V 6 α=880 H60 Max. T/m=100;
3./ Cối chấn T 1V H80:
1./ Cối chấn T 1V 6 α=880 H80 Max. T/m=100; 4./ Cối chấn T 1V 10 α=900 H80 Max. T/m=100
2./ Cối chấn T 1V 16 α=900 H80 Max. T/m=100; 5./ Cối chấn T 1V 8 α=900 H80 Max. T/m=100
3./ Cối chấn T 1V 12 α=900 H80 Max. T/m=100; 6./ Cối chấn T 1V 6 α=900 H80 Max. T/m=100
4./ Cối chấn 4V:
1./ Cối chấn 4V 10/16/22/35 α=600 H60 Max. T/m=60
2./ Cối chấn 4V 16/22/35/50 α=850 H60 Max. T/m=80
3./ Cối chấn 4V 16/22/35/50 α=85-880 H60 Max. T/m=80
Gia công chế tạo dao cắt tôn, dao cắt inox cho máy cắt thủy lực các loại
Các bài viết về máy chấn bạn có thể tham khảo
- Sửa chữa máy chấn tại Tp. Hồ Chí Minh
- Sửa chữa máy chấn tại Bình Dương
- Sửa chữa máy chấn tại Đồng Nai
Sau khi tiếp nhận thông tin yêu cầu của khách hàng, Công ty Việt Hải Minh cử kỹ thuật tiến hành khảo sát và tư vấn cho khách hàng về quy trình thực hiện, biện pháp thi công cũng như chi phí gia công, chế tạo, sửa chữa, mài và căn chỉnh dao cối máy chấn thuỷ lực các loại
Đến với dịch vụ gia công, chế tạo, sửa chữa, mài và căn chỉnh dao chấn, cối máy chấn thuỷ lực của Công ty Việt Hải Minh chúng tôi sẽ làm quý khách hàng hài lòng hơn với:
- Giá cả hợp lý
- Đảm bảo tiến độ
- Chế độ bảo hành hoàn hảo
- Uy tín, bền vững
Chúng tôi cam kết mang đến cho quý khách hàng dịch vụ: gia công, chế tạo, sửa chữa, mài và căn chỉnh dao chấn, cối máy chấn hoặc liên quan đến bảo dưỡng, cải tiến, nâng cấp thiết bị phụ tùng vật tư hoàn hảo nhất
Công ty VIỆT HẢI MINH-THỦY LỰC nhận gia công, chế tạo, sửa chữa, mài và căn chỉnh dao chấn, cối máy chấn tại các tỉnh thành phía nam Việt Nam
♦ Chế tạo, sửa chữa, mài dao cối máy chấn tại TpHCM
♦ Chế tạo, sửa chữa, mài dao cối máy chấn tại Bình Dương
♦ Chế tạo, sửa chữa, mài dao cối máy chấn tại Đồng Nai
♦ Chế tạo, sửa chữa, mài dao cối máy chấn tại Bà Rịa - Vũng Tàu
♦ Chế tạo, sửa chữa, mài dao cối máy chấn tại Bình Phước
♦ Chế tạo, sửa chữa, mài dao cối máy chấn tại Tây Ninh
♦ Chế tạo, sửa chữa, mài dao cối máy chấn tại Long An
♦ Chế tạo, sửa chữa, mài dao cối máy chấn tại Tiền Giang
♦ Chế tạo, sửa chữa, mài dao cối máy chấn tại An Giang
♦ Chế tạo, sửa chữa, mài dao cối máy chấn tại Bạc Liêu
♦ Chế tạo, sửa chữa, mài dao cối máy chấn tại Bến Tre
♦ Chế tạo, sửa chữa, mài dao cối máy chấn tại Cà Mau
♦ Chế tạo, sửa chữa, mài dao cối máy chấn tại Cần Thơ
♦ Chế tạo, sửa chữa, mài dao cối máy chấn tại Đồng Tháp
♦ Chế tạo, sửa chữa, mài dao cối máy chấn tại Hậu Giang
♦ Chế tạo, sửa chữa, mài dao cối máy chấn tại Kiên Giang
♦ Chế tạo, sửa chữa, mài dao cối máy chấn tại Sóc Trăng
♦ Chế tạo, sửa chữa, mài dao cối máy chấn tại Trà Vinh
♦ Chế tạo, sửa chữa, mài dao cối máy chấn tại Vĩnh Long
♦ Chế tạo, sửa chữa, mài dao cối máy chấn tại Lâm Đồng
♦ Chế tạo, sửa chữa, mài dao cối máy chấn tại Ninh Thuận
♦ Chế tạo, sửa chữa, mài dao cối máy chấn tại Bình Thuận
Mọi thắc mắc về tình trạng hư hỏng, nguyên nhân và hướng khắc phục hoặc tìm hiểu kỹ thuật, cũng như quy trình chế tạo, sửa chữa, mài dao chấn cối chấn máy chấn máy chấn gập các loại xin đừng ngần ngại, hãy gọi ngay điện thoại Hotline: 0903 95 77 68 gặp Th.S_ Ngô Đông Tuyên để được tư vấn và giải thích 24/24
CÔNG TY TNHH TV & DV KT VIỆT HẢI MINH - MÁY CHẤN
Trụ sở chính: 1148D Phạm Văn Đồng, P. Linh Đông, Q. Thủ Đức, TP.HCM
- CN1: Lô C, KDC Tân Vũ Minh, Thuận An, tỉnh Bình Dương - CN4: KCN Phước Đông, huyện Gò Dầu, tỉnh Tây Ninh
- CN2: Th.đất 1616, tờ B.đồ 39, P. Khánh Bình, TX. Tân Uyên, BD - CN5: Ấp Chánh, xã Đức Lập Thượng, Đức Hòa, L..An
- CN3: Dốc 47 QL51, Tam Phước, Long Thành, Đồng Nai - CN6: Khóm 5, X. Phước Đông, H. Cần Đước, Long An
Xưởng 1: 232 Nguyễn Văn Hưởng, phường Thảo Điền, quận 2, Tp. HCM
Xưởng 2: 82/37/5 Đinh Bộ Lĩnh, phường 26, quận Bình Thạnh, Tp. HCM
Tel: 028 35 122 155 Hotline: 0903 95 77 68 (Zalo) - 09 1259 08 09 - (24/24)
Email: maritechcenter@yahoo.com.vn Website: vnmaritech.com
































